HB 1736-1987标准基本信息
标准名称:圆柱定位销
标准号:HB 1736-1987
标准格式:PDF
标准分类:行业标准
标准大小:18.54 KB
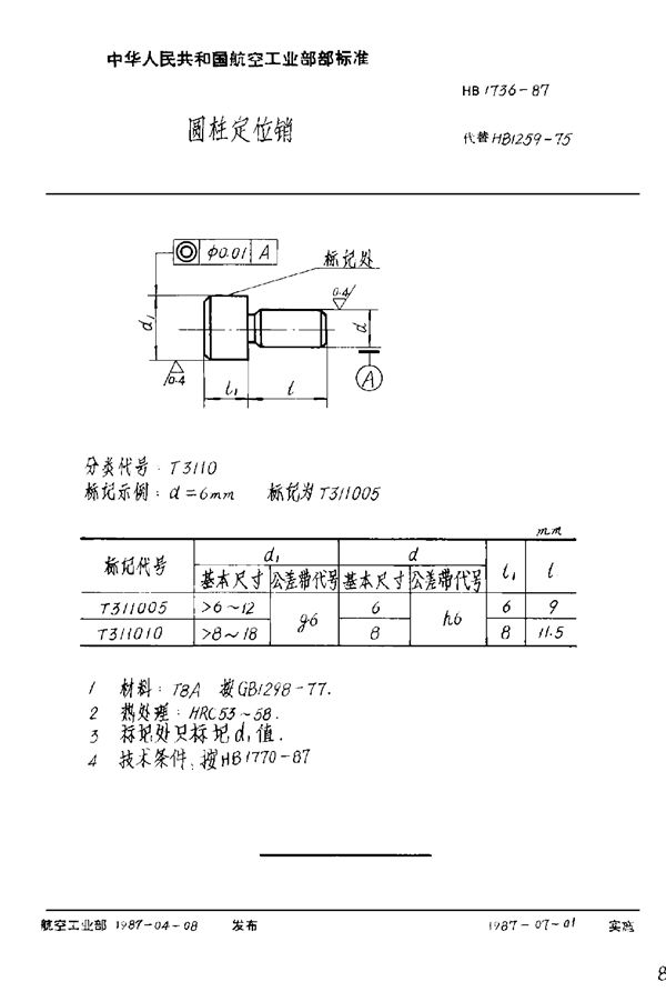
HB 1736-1987 圆柱定位销

HB 1736-1987标准基本信息
标准名称:圆柱定位销
标准号:HB 1736-1987
标准格式:PDF
标准分类:行业标准
标准大小:18.54 KB
HB 1736-1987 圆柱定位销

声明:资源收集自用户分享或网络,仅为个人学习参考使用,如侵犯您的权益,请联系我们处理。
不能下载?报告错误