QJ 98A-1997标准基本信息
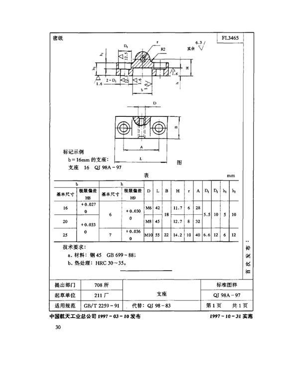
标准名称:机床夹具零件及部件 支座
标准号:QJ 98A-1997
标准格式:PDF
标准分类:行业标准
标准大小:201.49 KB
QJ 98A-1997 机床夹具零件及部件 支座

QJ 98A-1997标准基本信息
标准名称:机床夹具零件及部件 支座
标准号:QJ 98A-1997
标准格式:PDF
标准分类:行业标准
标准大小:201.49 KB
QJ 98A-1997 机床夹具零件及部件 支座

声明:资源收集自用户分享或网络,仅为个人学习参考使用,如侵犯您的权益,请联系我们处理。
不能下载?报告错误