SJ 3113-1988标准基本信息
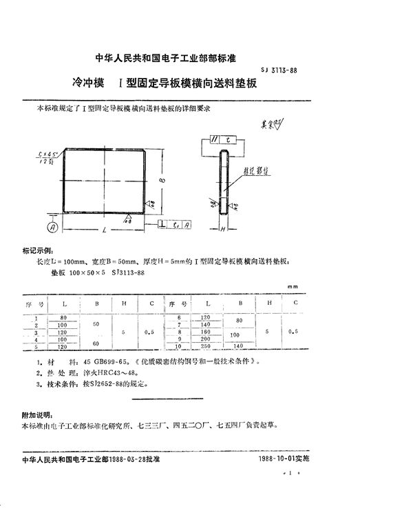
标准名称:冷冲模 Ⅰ型固定导板模横向送料垫板
标准号:SJ 3113-1988
标准格式:PDF
标准分类:行业标准
标准大小:39.71 KB
SJ 3113-1988 冷冲模 Ⅰ型固定导板模横向送料垫板

SJ 3113-1988标准基本信息
标准名称:冷冲模 Ⅰ型固定导板模横向送料垫板
标准号:SJ 3113-1988
标准格式:PDF
标准分类:行业标准
标准大小:39.71 KB
SJ 3113-1988 冷冲模 Ⅰ型固定导板模横向送料垫板

声明:资源收集自用户分享或网络,仅为个人学习参考使用,如侵犯您的权益,请联系我们处理。
不能下载?报告错误