当前位置:首页 > 行业标准 > SJ 748-1973

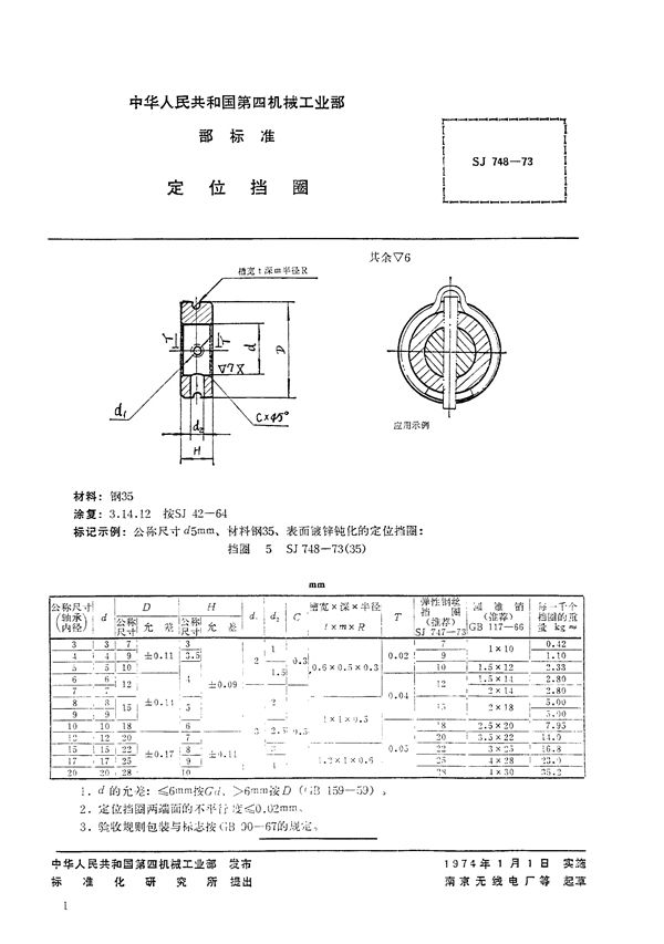
SJ 748-1973 定位挡圈

SJ 748-1973标准基本信息

标准名称:定位挡圈

标准号:SJ 748-1973

标准格式:PDF

标准分类:行业标准

标准大小:71.72 KB

SJ 748-1973 定位挡圈

SJ 748-1973 定位挡圈

声明:资源收集自用户分享或网络,仅为个人学习参考使用,如侵犯您的权益,请联系我们处理。

不能下载?报告错误