当前位置:首页 > 行业标准 > SJ 2437.3-1984

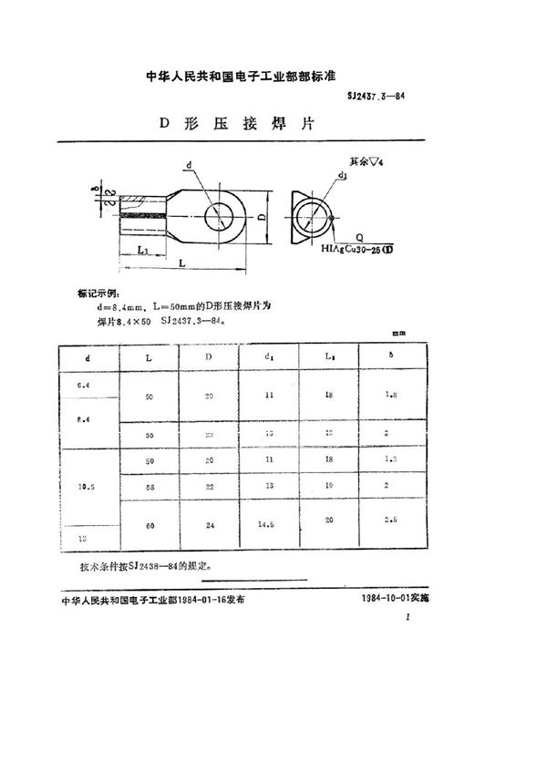
SJ 2437.3-1984 D形压接焊片

SJ 2437.3-1984标准基本信息

标准名称:D形压接焊片

标准号:SJ 2437.3-1984

下载格式:PDF电子版

标准分类:行业标准

标准状态:none

SJ 2437.3-1984 D形压接焊片

SJ 2437.3-1984 D形压接焊片

声明:资源收集自用户分享或网络,仅为个人学习参考使用,如侵犯您的权益,请联系我们处理。

不能下载?报告错误