TB 1134-1974标准基本信息
标准名称:货车木材技术条件
标准号:TB 1134-1974
下载格式:PDF电子版
标准分类:行业标准
标准状态:none
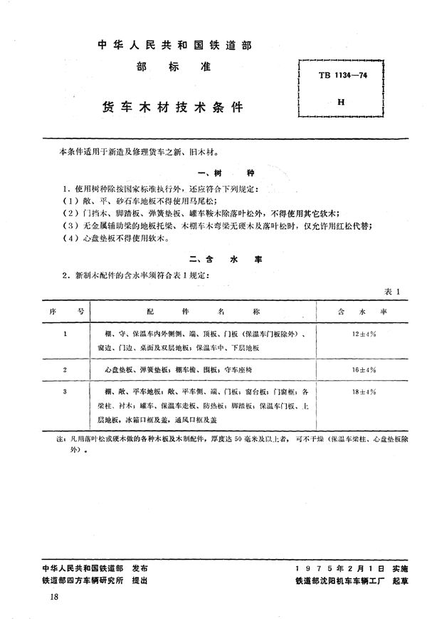
TB 1134-1974 货车木材技术条件

TB 1134-1974标准基本信息
标准名称:货车木材技术条件
标准号:TB 1134-1974
下载格式:PDF电子版
标准分类:行业标准
标准状态:none
TB 1134-1974 货车木材技术条件

声明:资源收集自用户分享或网络,仅为个人学习参考使用,如侵犯您的权益,请联系我们处理。
不能下载?报告错误