当前位置:首页 > 行业标准 > SJ 2882-1988

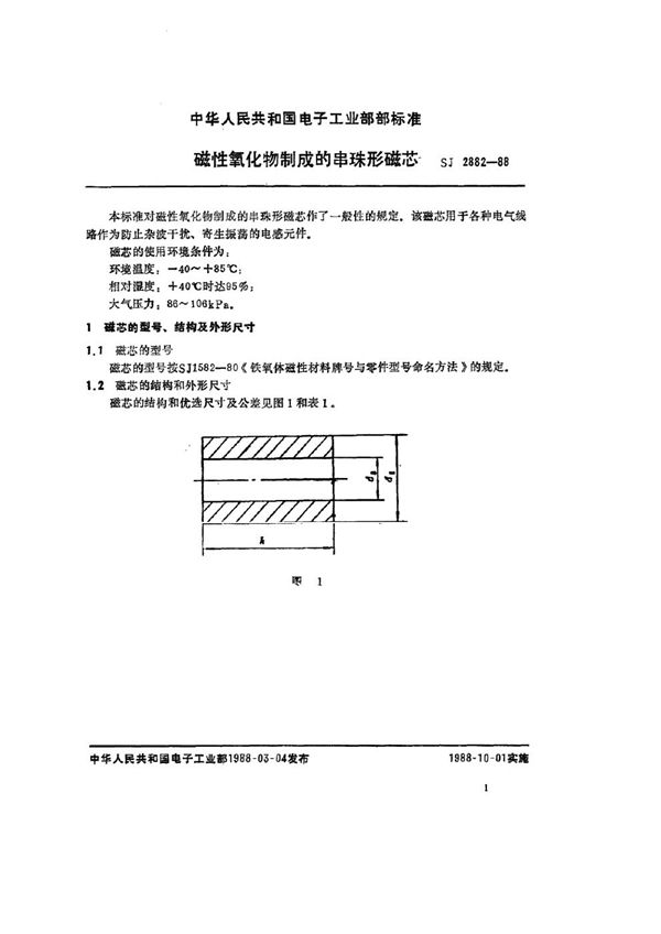
SJ 2882-1988 磁性氧化物或铁粉制成的串珠形磁芯

SJ 2882-1988标准基本信息

标准名称:磁性氧化物或铁粉制成的串珠形磁芯

标准号:SJ 2882-1988

下载格式:PDF电子版

标准分类:行业标准

标准状态:none

SJ 2882-1988 磁性氧化物或铁粉制成的串珠形磁芯

声明:本站为网络服务提供者及网络索引服务平台资源索引自网络/用户分享,如有版权问题,请联系站方删除。

不能下载?报告错误