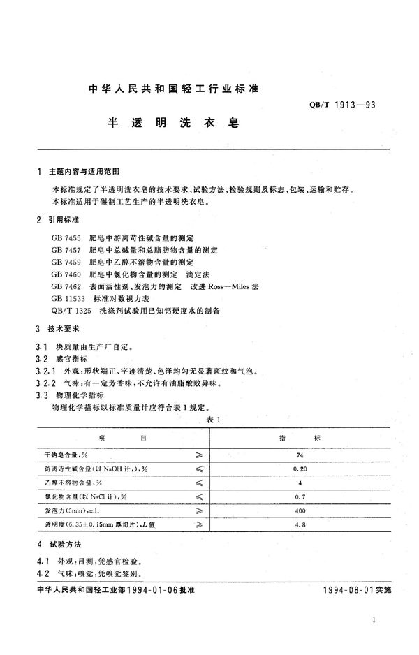
QB/T 1913-1993标准基本信息
标准名称:半透明洗衣皂
标准号:QB/T 1913-1993
发布日期:1994-01-06
实施日期:1994-08-01
制修订:制定
批准发布部门:中国轻工总会
行业分类:无
标准类别:无
起草单位:
起草人:

QB/T 1913-1993标准基本信息
标准名称:半透明洗衣皂
标准号:QB/T 1913-1993
发布日期:1994-01-06
实施日期:1994-08-01
制修订:制定
批准发布部门:中国轻工总会
行业分类:无
标准类别:无
起草单位:
起草人:

声明:资源收集自用户分享或网络,仅为个人学习参考使用,如侵犯您的权益,请联系我们处理。
不能下载?报告错误