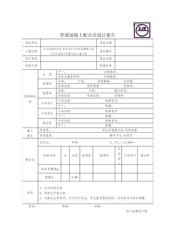
JC-013普通混凝土配合比设计报告是针对建筑工程中常用混凝土材料的技术指导文件。本报告依据现行国家标准和行业规范,通过系统试验和计算分析,确定了满足设计强度等级(如C20、C30等)要求的混凝土材料配比方案。报告内容涵盖原材料性能检测、水胶比计算、砂率选择、试配调整等关键环节,确保混凝土在强度、耐久性和工作性等方面达到工程要求。该配合比设计可为施工提供科学依据,保障混凝土结构质量,适用于一般房屋建筑、道路等普通混凝土工程应用。
JC-013普通混凝土配合比设计报告 (共1页) 【免费下载】

JC-013普通混凝土配合比设计报告是针对建筑工程中常用混凝土材料的技术指导文件。本报告依据现行国家标准和行业规范,通过系统试验和计算分析,确定了满足设计强度等级(如C20、C30等)要求的混凝土材料配比方案。报告内容涵盖原材料性能检测、水胶比计算、砂率选择、试配调整等关键环节,确保混凝土在强度、耐久性和工作性等方面达到工程要求。该配合比设计可为施工提供科学依据,保障混凝土结构质量,适用于一般房屋建筑、道路等普通混凝土工程应用。
JC-013普通混凝土配合比设计报告 (共1页) 【免费下载】

声明:资源收集自用户分享或网络,仅为个人学习参考使用,如侵犯您的权益,请联系我们处理。
不能下载?报告错误