GB 95-1985标准基本信息
标准名称:平垫圈 C级
标准号:GB 95-1985
标准格式:PDF
标准分类:国家标准
标准大小:43.81 KB
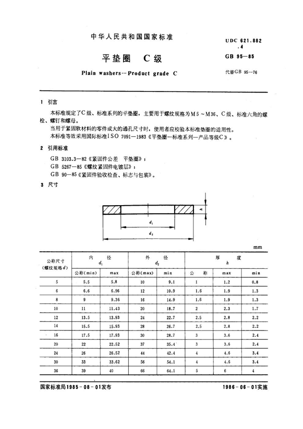
GB 95-1985 平垫圈 C级
声明:本站为网络服务提供者及网络索引服务平台资源索引自网络/用户分享,如有版权问题,请联系站方删除。
免费下载