免费标准网 - 标准下载、免费文档下载网站
搜索
当前位置:
首页
>
行业标准
> CBM 1036-1981
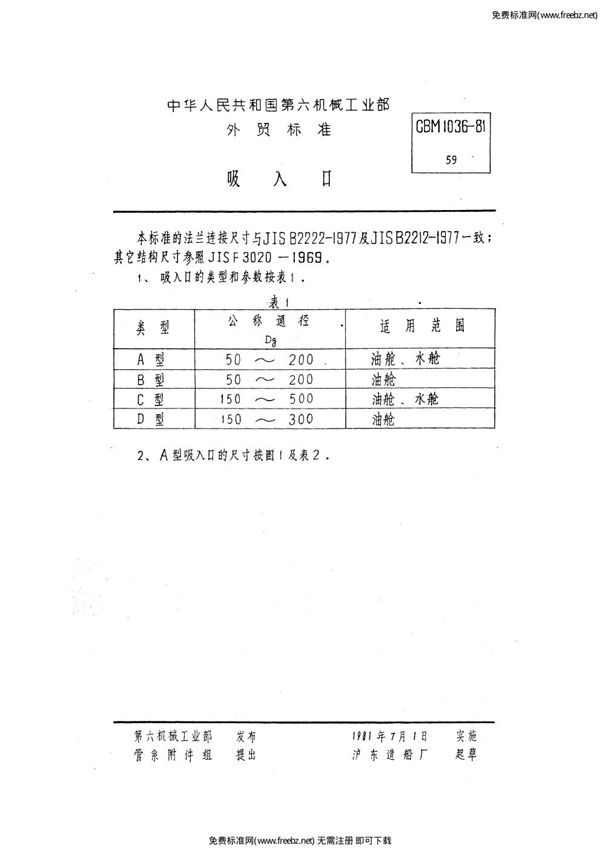
CBM 1036-1981 吸入口
CBM 1036-1981标准基本信息
标准名称:吸入口
标准号:CBM 1036-1981
收藏
下载
声明:资源收集自用户分享或网络,仅为个人学习参考使用,如侵犯您的权益,请联系我们处理。
不能下载?报告错误
翻页:
CBM 1037-1981 法兰铸钢防浪阀
相关内容
CB/T 4230-2013 船用吸入口
CB/T 495-1995 吸入口
CBM 1036-1981 吸入口
下载
免费下载
收藏
报错
热门标签
电气
特种设备
建筑节能
电动自行车
近期更新
电缆
换热器
油品
材料验收
探伤
安全带
会议
电气设备
检测规范
工业自动化
铸造
质量管理体系
电动车
国标
行业
地方
团体
企业
计量
手册
建设
文档
首页