免费标准网 - 标准下载、免费文档下载网站
搜索
当前位置:
首页
>
行业标准
> HB 6747-1993
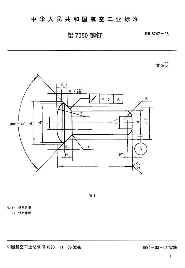
HB 6747-1993 铝7050铆钉
HB 6747-1993标准基本信息
标准名称:铝7050铆钉
标准号:HB 6747-1993
收藏
下载
声明:资源收集自用户分享或网络,仅为个人学习参考使用,如侵犯您的权益,请联系我们处理。
不能下载?报告错误
翻页:
HB 6800-1993 10000倍气动量仪用内径测量头
相关内容
HB 6747-1993 铝7050铆钉
下载
免费下载
收藏
报错
热门标签
抽样检验
弯头
人孔
阀门
钢丝螺套
门窗
压缩机
中心孔
钢铁
饮用水
玻璃
铸造
阻燃
施工工艺
质量管理体系
轴承
电动车
管螺纹
国标
行业
地方
团体
企业
计量
手册
建设
文档
首页