免费标准网 - 标准下载、免费文档下载网站
搜索
当前位置:
首页
>
行业标准
> HB 4096-1988
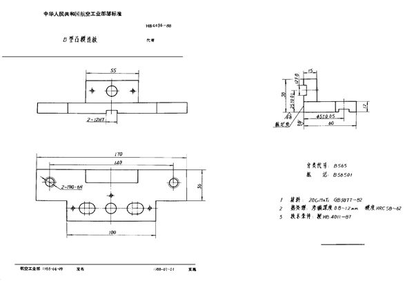
HB 4096-1988 B型凸模连板
HB 4096-1988标准基本信息
标准名称:B型凸模连板
标准号:HB 4096-1988
收藏
下载
声明:资源收集自用户分享或网络,仅为个人学习参考使用,如侵犯您的权益,请联系我们处理。
不能下载?报告错误
翻页:
HB 4105-1988 小孔卸料套
相关内容
QJ 2534.4-1993 小型组合弯曲模元件 B型凸模压块
QJ 2533.6-1993 小型组合弯曲模元件 B型凸模
HB 4096-1988 B型凸模连板
下载
免费下载
收藏
报错
热门标签
近期更新
工业自动化
玩具
紧固件
止回阀
钢铁
甲醛
钢球
家具
插头
油脂
检验检测
中心孔
热电偶
动平衡
粉煤灰
花键
锻件
国标
行业
地方
团体
企业
计量
手册
建设
文档
首页