当前位置:首页 > 行业标准 > SJ 752-1973

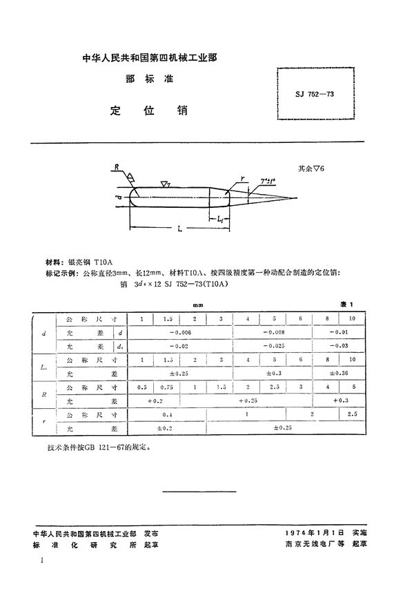
SJ 752-1973 定位销

SJ 752-1973标准基本信息

标准名称:定位销

标准号:SJ 752-1973

标准格式:PDF

标准分类:行业标准

标准大小:47.31 KB

SJ 752-1973 定位销

SJ 752-1973 定位销

声明:资源收集自用户分享或网络,仅为个人学习参考使用,如侵犯您的权益,请联系我们处理。

不能下载?报告错误