当前位置:首页 > 行业标准 > JB/ZQ 4452-2006

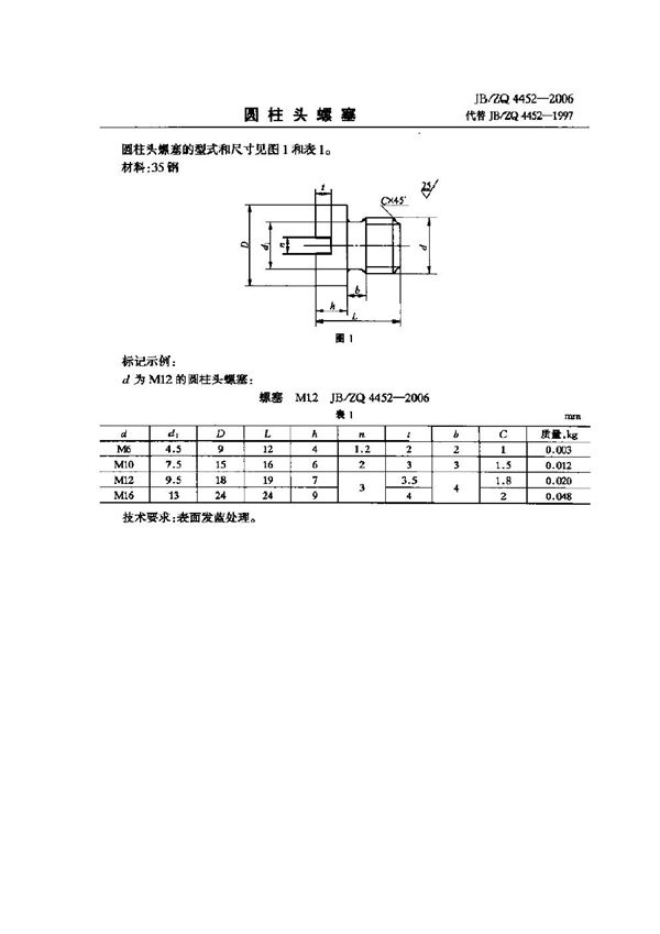
JB/ZQ 4452-2006 圆柱头螺塞

JB/ZQ 4452-2006标准基本信息

标准名称:圆柱头螺塞

英文名称:Cheese head plugs

标准号:JB/ZQ 4452-2006

发布日期:

实施日期:

圆柱头螺塞

JB/ZQ 4452-2006 圆柱头螺塞

声明:资源收集自用户分享或网络,仅为个人学习参考使用,如侵犯您的权益,请联系我们处理。

不能下载?报告错误